
Contact Hotline
0769-23103048 0769-23103048免费热线:400-833-2669
固定电话:0769-23103048(杨小姐)
固定电话:0769-22013249(杨先生)
公司传真:0769-23109526
您当前的位置:

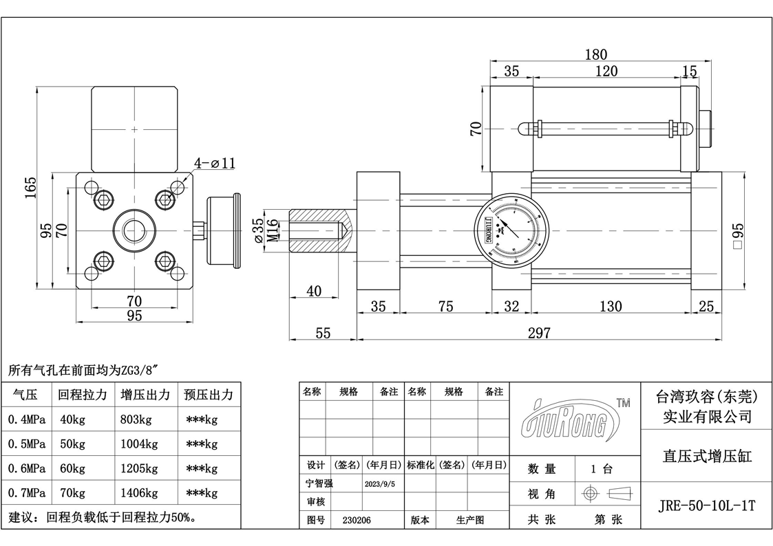
作动方式:双动
作动条件:4~7kg/cm²压缩空气
液压抗磨油:VG68#抗磨液压油
工作温度:0~60℃
操作速度:50~400mm/s
油缸耐压:300kg/cm²
气缸耐压:12kg/cm²
预压行程公差:+1.00mm 0.00mm
力行程公差:+0.20mm 0.00mm
工作频率:25~45次/min(与行程长短成反比)
高压出力:1~13吨
好色先生黄色厂家直销,2年免费保修,非标定制!
文档下载:
技术咨询可联系:0769-23103048(固话)18925540959(手机)

【JRE直压式好色先生TV污缸产品说明】:

咨询热线:400-833-2669




![]() | 好色先生TV污缸动作顺序: (1)、增压缸按照上图气路连接图接好之后,打开气源,此时增压缸处于回位状态; (2)、电磁阀DT1通电,切换气路使气压作用于气缸活塞使气缸活塞开始位移,直接开始直压; (3)、根据加工工件保压需要,调节保压时间,电磁阀DT1断电,再次切换气路,使气缸和油缸同时回位达到初始状态。至此一个动作循环完毕。 |

东莞市好色先生黄色气动液压设备有限公司是一家30年专业研发生产制造好色先生TV污缸、好色先生TV污器、好色先生TV污机、好色先生TVAPP观看、倍力气缸等气液转化元件之相关高新科技企业,拥有行业内完善的行业综合好色先生视频下载污,帮助过3000多家企业进行了针对性产品定制,服务过上万家客户。

公司1992年成立于台湾省新竹县。拥有一批资深的研发团队,专业致力于气液转化元件的研发与生产。经多年磨练,现公司研发产品有:好色先生TV污缸、好色先生TV污机、气液压力机、好色先生TV污器、空气增压泵、倍力气缸、电动缸、伺服压力机等系列气动液压设备。该类产品均采用现代先进设备(CNC)制造,配选日本,意大利等知名品牌密封件,其设计新颖,性能独特,所生产产品均能达到“出力大,速度快,精度高,寿命长,无泄漏,节能源”等优点。



![]() | ![]() | ![]() |

东莞市好色先生黄色气动液压设备有限公司
咨询热线:400-833-2669
电话:18925544859黄小姐
传真:0769-23109526
邮箱:jiurong.good@163.com
网址:www.qdzxhb.com,www.jrzyq.com,www.twjiurong.com
地址:广东省东莞市东城街道峡口沙岭工业西路21号
